EnerClever UPS

Hybrid UPS System


  • 30 KW
  • 50 KW
  • 80 KW
  • 100 KW
  • 130 KW
  • 160 KW

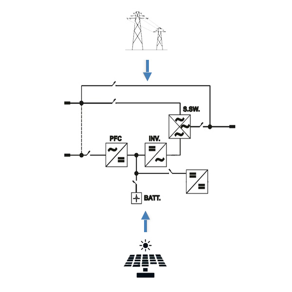
EnerClever UPS nasce per andare oltre la continuità elettrica: è un sistema ibrido intelligente che integra fonti di energia diverse — rete, fotovoltaico, batterie e generatore — per fornire sempre la potenza più efficiente, sicura e sostenibile.

Grazie alla tecnologia EnerClever, ogni UPS Powertronix può evolversi in un sistema attivo di gestione energetica, capace di ridurre o persino eliminare il consumo dalla rete.

È la soluzione ideale per chi cerca continuità, efficienza e autonomia energetica, in un’unica architettura compatta e completamente Made in Italy.

La continuità che diventa intelligenza energetica

EnerClever UPS unisce prestazioni, autonomia e sostenibilità in un unico sistema ibrido capace di gestire, ottimizzare e trasformare ogni fonte di energia.

Gestione intelligente delle fonti

Seleziona in tempo reale la fonte più efficiente garantendo sempre continuità e ottimizzazione dei costi.

Integrazione fotovoltaica diretta

Grazie al Powertronix SBC Design, l’energia solare può essere collegata direttamente al bus DC dell’inverter, riducendo l’assorbimento dalla rete fino ad annullarlo.

Modalità ibride avanzate

Eco Mode, Peak Shaving e Smart Logic System per gestire carichi, picchi e priorità energetiche in base alle condizioni operative.

Accumulo energetico integrato

Compatibile con batterie LiFePO₄ e LiNMC, con Battery Management System (BMS) integrato per sicurezza e durata superiori.

Efficienza e sostenibilità

Architettura trafoless e controllo digitale ad alta frequenza per ridurre perdite, emissioni e costi operativi.

Flessibilità di installazione e controllo remoto

Display LCD touch, interfacce RS232/RS485, SNMP e ModBUS, e gestione da remoto tramite Powertronix Portal.

Download

Caratteristiche principali

  • Potenze disponibili: 30 / 60 / 100 / 120 / 160 kW
  • Topologia: VFI On-Line doppia conversione
  • Fattore di potenza in uscita: 0,9 – 1
  • THDi < 3 % – THDv < 2 %
  • Grado di protezione: IP20 (opzionale IP54)
  • Modalità operative: Hybrid | EnerClever | Peak Shaving | UPS Mode
  • Compatibilità batterie: VRLA, NiCd, Li-Ion, LiFePO₄, LiNMC
  • Raffreddamento: aria forzata o liquido + aria
  • Interfacce: LCD Touch Display, SNMP, ModBUS, Powertronix Portal

Applicazioni consigliate

Data Center e infrastrutture IT

Settore medicale e ospedaliero

Telecomunicazioni e broadcasting

Uffici, complessi industriali e reti ibride

Sistemi CPSS e applicazioni Energy Manager

Proteggi il tuo UPS con i piani di Continuity Services Powertronix

Assicurati che il tuo UPS funzioni sempre al massimo delle prestazioni con i piani di manutenzione programmata Powertronix, studiati per garantire affidabilità continua, prevenzione dei guasti e interventi rapidi in caso di emergenza.

* Ricambi inclusi nel piano TOTAL secondo condizioni contrattuali. L’Opzione 24/7 estende la reperibilità ma non amplia la copertura tecnica del piano sottoscritto.

ESSENTIAL

Protezione programmata

Il piano di manutenzione essenziale per garantire affidabilità di base e continuità operativa.

Cosa include

  • Manutenzione preventiva programmata
  • Listino ricambi agevolato
  • Pianificazione annuale interventi
  • Tempi di intervento secondo SLA
  • Manutenzione correttiva (manodopera)
  • Ricambi inclusi

ADVANCED

Prevenzione e supporto bilanciati

Il giusto equilibrio tra manutenzione programmata e supporto tecnico qualificato.

Cosa include

  • Manutenzione preventiva programmata
  • Listino ricambi agevolato
  • Pianificazione annuale interventi
  • Tempi di intervento secondo SLA
  • Manutenzione correttiva (manodopera)
  • Ricambi inclusi

TOTAL

Copertura completa

Massima protezione dell’impianto, con copertura totale dei guasti e ricambi inclusi.

Cosa include

  • Manutenzione preventiva programmata
  • Listino ricambi agevolato
  • Pianificazione annuale interventi
  • Tempi di intervento secondo SLA
  • Manutenzione correttiva (manodopera)
  • Ricambi inclusi

OPZIONE 24/7

Reperibilità H24

Servizio attivabile su tutti i livelli (ESSENTIAL, ADVANCED, TOTAL)

Cosa include

  • Reperibilità tecnica 24 ore su 24, 365 giorni l’anno
  • Presa in carico delle segnalazioni H24
  • Attivazione del tecnico reperibile fuori orario standard
  • Estensione degli SLA a sabati, domeniche e festivi
  • Gestione prioritaria delle emergenze

Resta aggiornato sulle novità del settore

Resta aggiornato sulle novità del settore

Per non perdere aggiornamenti, progetti, eventi e approfondimenti tecnici dedicati al mondo dell'alimentazione di continuità.

Unisciti alla nostra rete professionale e rimani sempre un passo avanti.

Seguici su Linkedin